
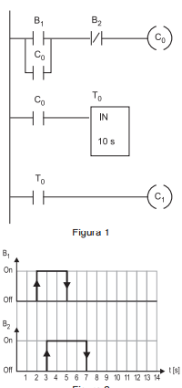
A Figura 1 apresenta o diagrama LADDER de um CLP que possui um temporizador, com atraso no desligamento, ajustado para um tempo de 10 s, e com a saída C1 inicialmente desabilitada. A Figura 2 apresenta os diagramas de tempo dos comandos B1 e B2 Nessas condições, após a habilitação da saídaC1 esta só será desabilitada no instante de tempo t, cujo valor, em segundos, é