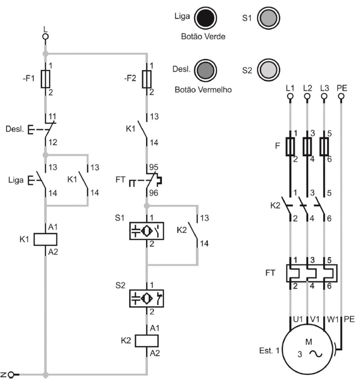
Considere o quadro de comando e força de um sistema de acionamento de motores elétricos de uma esteira industrial apresentado a seguir, sabendo que S1 e S2 são sensores capacitivos.

Analise o esquema elétrico e assinale a alternativa que descreva melhor o seu funcionamento.