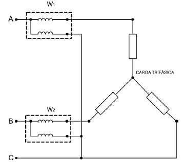
A configuração a seguir refere-se à ligação de dois wattímetros. Ela é utlizada na medição das potências ativa e reativa em uma carga trifásica.

Sabendo-se que as medições de cada um dos wattímetros são !$ W_1 !$ e !$ W_2 !$ , é correto afirmar que o somatório de !$ W_1 !$ e !$ W_2 !$ é igual à potência: