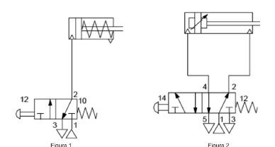
Os sistemas hidráulicos e pneumáticos possuem aplicação prática em diversos tipos de indústrias. Um elemento importante nesses sistemas é a válvula de controle direcional que consiste em um corpo com passagens internas nas quais são conectadas e desconectadas por uma parte móvel. A figura abaixo mostra exemplos de circuitos com válvulas de controle direcional de aplicação prática na indústria.

Tomando como referência as figuras acima, assinale a alternativa correta.
Provas
Questão presente nas seguintes provas