Magna Concursos
Questões
Planos
Entrar
Entrar
Criar Conta
Respondida
3087099
Ano:
2024
Disciplina:
Engenharia Elétrica
Banca:
CESPE / CEBRASPE
Orgão:
Itaipu
Provas:
Técnico - Operador de Usina
Provas
×
Circuitos Elétricos
Sistemas Elétricos de Potência
Análise de SEP
Fluxo de Potência, Estabilidade e Regulação
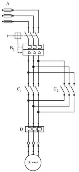
Figura 29A01
O diagrama apresentado na figura 29A01 é
A
um circuito de comando para a partida de um motor trifásico.
B
uma chave estrela-triângulo para a partida de um motor trifásico.
C
um circuito de potência para a partida com reversão de um motor trifásico.
D
um circuito de potência para uma partida com chave compensadora.
E
um circuito de comando para uma partida direta de motor com sinalização.
Resolver
Comentários
0
×
Cadernos
×
Flashcards
×
Estatísticas
×
Reportar um erro
×
Provas
Questão presente nas seguintes provas
Técnico - Operador de Usina
50 Questões
Resolver Prova
Publicar
Responder
Qual o problema da questão?
Selecione uma opção
Questão Desatualizada
Questão Repetida
Gabarito Errado
Outros Motivos
Mensagem
Enviar
Acessar
Criar Conta
Acesse sua Conta
Google
Facebook
Esqueci minha senha
Acessar
Ainda não tem conta?
Crie uma
!
Crie uma Conta
Criar Conta
Olá, para continuar, precisamos criar uma conta!
É
rápido
e
grátis
.
Google
Facebook
Concordo com os
Termos de Uso
Criar
Já tem uma conta?
Acesse aqui