Magna Concursos
Questões
Planos
Entrar
Entrar
Criar Conta
Respondida
2436657
Ano:
2012
Disciplina:
Engenharia Eletrônica
Banca:
IFPI
Orgão:
IFPI
Provas:
Técnico de Laboratório - Eletrônica
Provas
×
Circuitos de excitação senoidal, fasores em c.a., impedância e tensão eficaz
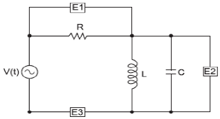
Em um laboratório, é montada uma experiência para a medição de grandezas elétricas. A figura ilustra um circuito instrumentado por três equipamentos de medição (E1, E2 e E3), que medem, respectivamente, as grandezas:
A
tensão na fonte, corrente no capacitor e corrente na fonte.
B
tensão no resistor, tensão no capacitor e corrente no indutor.
C
tensão no resistor, tensão no capacitor e corrente na fonte.
D
corrente no resistor, tensão no indutor e tensão na fonte.
E
corrente no resistor, corrente no capacitor e tensão no indutor.
Resolver
Comentários
0
×
Cadernos
×
Flashcards
×
Estatísticas
×
Reportar um erro
×
Provas
Questão presente nas seguintes provas
Técnico de Laboratório - Eletrônica
50 Questões
Resolver Prova
Publicar
Responder
Qual o problema da questão?
Selecione uma opção
Questão Desatualizada
Questão Repetida
Gabarito Errado
Outros Motivos
Mensagem
Enviar
Acessar
Criar Conta
Acesse sua Conta
Google
Facebook
Esqueci minha senha
Acessar
Ainda não tem conta?
Crie uma
!
Crie uma Conta
Criar Conta
Olá, para continuar, precisamos criar uma conta!
É
rápido
e
grátis
.
Google
Facebook
Concordo com os
Termos de Uso
Criar
Já tem uma conta?
Acesse aqui