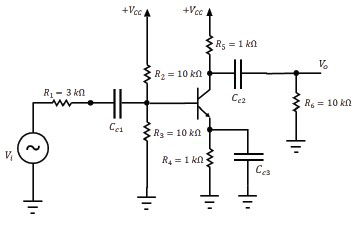
A figura a seguir ilustra um amplificador emissor-comum discreto que emprega uma topologia de polarização clássica. Considere que os capacitores de acoplamento (CC1, CC2 e CC3) possuem valores de capacitâncias iguais a infinito, a transcondutância (gm) igual a 90 mA/V e hfe igual a 180.

A resistência de entrada do amplificador é