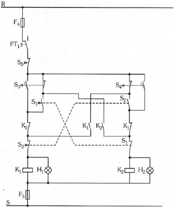
A figura a seguir apresenta diagramas de força e comando da partida reversora de um motor trifásico, com a utilização de interruptores fim de curso (identificados na figura por S3 e S4). Analisando a dinâmica dos diagramas abaixo, é incorreto afirmar que:

