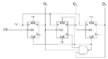
O circuito abaixo é um contador crescente assíncrono, composto por flips-flops T, com clear e preset assíncronos. A indicação “1”, na figura, indica o nível de tensão especificado para o nível lógico “1” (verdade).

Esse contador possui a seguinte quantidade de estados estáveis: