Magna Concursos
2293551 Ano: 2015
Disciplina: Engenharia Eletrônica
Banca: UFSCAR
Orgão: UFSCAR
Provas:

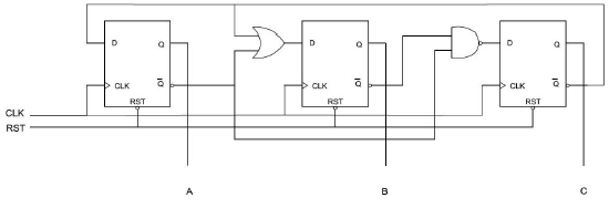
Após quantos pulsos de CLK será obtida a primeira sequência A=0, B=0 e C=1?

Enunciado 3542324-1

 

Provas

Questão presente nas seguintes provas

Técnico - Telefonia

60 Questões