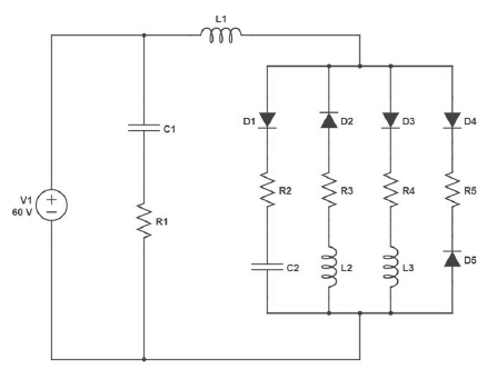
No contexto de um circuito elétrico, a interação dos componentes regula grandezas fundamentais como corrente, tensão e potência, moldando assim o desempenho e a eficiência do sistema. Para o circuito a seguir, considere que as cargas resistivas representam lâmpadas de 12 V / 60 W, e os indutores, capacitores e diodos podem ser considerados como ideais.

Assinale a alternativa que apresenta o status correto das lâmpadas em regime permanente.
Provas
Questão presente nas seguintes provas