Magna Concursos
1846067 Ano: 2007
Disciplina: Engenharia Mecânica
Banca: FCC
Orgão: MPU

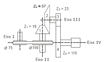
Um motor de rotação igual a 1785 rpm e 10 CV de potência acoplado ao eixo I, é usado no acionamento do redutor abaixo.

enunciado 1846067-1

Desconsiderando as perdas do sistema, pode-se afirmar que

 

Provas

Questão presente nas seguintes provas