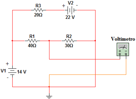
Considere o circuito elétrico de corrente contínua da figura, no qual se realiza uma medida com um voltímetro. Com base nos valores dos elementos do circuito, a tensão medida pelo voltímetro é. (Os valores de todos os resistores são dados em Ohms e das tensões em Volts).
