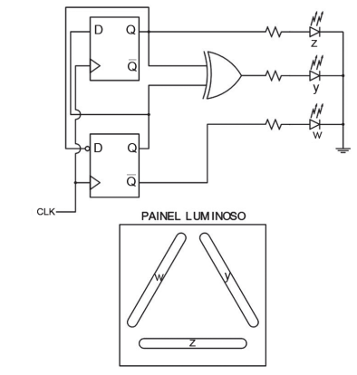
O circuito digital a seguir é utilizado para implementar um painel luminoso que contém três LEDs, indicados por w, y e z, dispostos em 3 segmentos que formam um triângulo, conforme mostra a Figura:

Considerando-se que CLK é uma onda quadrada de frequência da ordem de unidades de hertz (Hz), que ambos os flip-flops D são inicializados com Q = 0 e que um LED acionado é representado por seu segmento correspondente preenchido, a sequência correta de acionamento dos LEDs é a