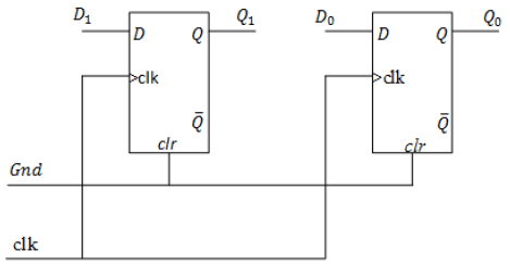
O esquemático abaixo representa um contador binário crescente de módulo 4. O flip-flop mais a esquerda representa o bit mais significativo.

Supondo que no estado inicial os flip-flops estão re-setados, as equações para as entradas D1 e D0 devem ser escritas como