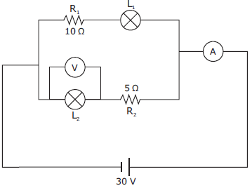
Para responder à questão, observe a figura.

A figura apresenta um circuito composto por dois resistores (R1 e R2), duas lâmpadas (L1 e L2 idênticas e com a resistência de filamento de 5 omhs), uma fonte de força eletromotriz, um voltímetro e um amperímetro. Sobre o circuito é correto afirmar que