Magna Concursos
2758358 Ano: 2023
Disciplina: Arquitetura
Banca: MS CONCURSOS
Orgão: Pref. Patrocínio-MG
Provas:

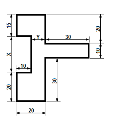
Observe o desenho técnico sabendo que suas dimensões estão em centímetros, indique a alternativa correta para as medidas X e Y.

Enunciado 3542737-1

 

Provas

Questão presente nas seguintes provas

Desenhista

20 Questões