
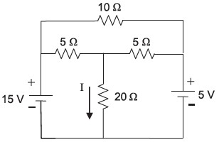
O circuito resistivo da figura acima é alimentado com duas fontes de tensão CC. Considerando-se os valores dos componentes indicados na figura, a corrente elétrica I, em ampères, é
Provas
Questão presente nas seguintes provas

O circuito resistivo da figura acima é alimentado com duas fontes de tensão CC. Considerando-se os valores dos componentes indicados na figura, a corrente elétrica I, em ampères, é