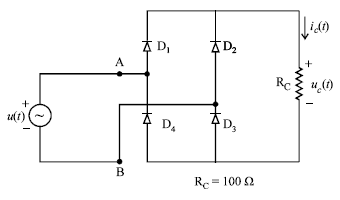
Considere que, no circuito elétrico ilustrado a seguir, uma fonte CA com tensão u(t)=100sen(Tt) V, alimenta os demais componentes. Suponha que todos os diodos são ideais.

Considerando as informações do circuito elétrico, julgue os itens a seguir.
I No ciclo em que a tensão da fonte é positiva, a corrente flui pelos diodos D1 e D3 .
II A corrente ic (t) e a tensão uc (t) apresentam um mesmo tipo de forma de onda (gráfico), diferindo em amplitude.
III O diodo D4 conduz durante 25% do ciclo da tensão da fonte.
IV A corrente que passa pelo diodo D2 , quando este está conduzindo, é igual à corrente que passa por D4 .
V A potência média na carga durante um ciclo da tensão da fonte é igual a zero.
A quantidade de itens certos é igual a