3316985
Ano: 2023
Disciplina: Engenharia Elétrica
Banca: Pref. Bauru-SP
Orgão: Pref. Bauru-SP
Disciplina: Engenharia Elétrica
Banca: Pref. Bauru-SP
Orgão: Pref. Bauru-SP
Provas:
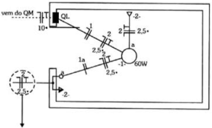
A NBR 5444, estabelece os símbolos gráficos referentes às instalações elétricas prediais. Diante da norma mencionada, assinale a alternativa que corresponda a representação do esquema unifilar num projeto elétrico demonstrado a seguir.
