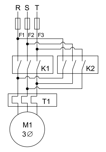
Observe o diagrama de força de um sistema de acionamento semiautomático para um motor elétrico mostrado na figura a seguir:

Trata-se do diagrama de força de uma chave:
Observe o diagrama de força de um sistema de acionamento semiautomático para um motor elétrico mostrado na figura a seguir:

Trata-se do diagrama de força de uma chave: