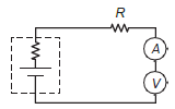
Baterias são dispositivos que acumulam energia e estão presentes em inúmeros aparelhos portáteis. Uma bateria ideal não possui resistência interna. Entretanto, baterias reais apresentam resistência interna disponibilizando uma tensão efetiva V inferior à sua tensão nominal ê, conforme a figura. Uma vez que se sabe o valor da tensão nominal da bateria, determina-se sua carga pelo conhecimento da corrente i enquanto está conectada a um circuito de resistência R, de tensão efetiva V, e da resistência interna r da bateria.

De posse de um voltímetro V , de um amperímetro A e de uma resistência-teste R, a configuração adequada para avaliar a carga da bateria é: