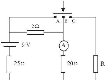
O circuito abaixo é constituído de uma fonte de alimentação ideal, 4 resistores ôhmicos e um amperímetro ideal.
O circuito apresenta também um dispositivo composto de uma barra condutora, de resistência elétrica nula, que normalmente fica afastada. Mas se o dispositivo for acionado, a barra irá encostar nos pontos A, B e C ao mesmo tempo, colocando-os em contato.
Nas condições iniciais, o amperímetro indica um determinado valor de intensidade de corrente elétrica.
Assinale a alternativa que apresenta o valor da resistência elétrica R, em ohms, para que a indicação no amperímetro não se altere, quando o dispositivo for acionado.

Provas
Questão presente nas seguintes provas