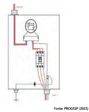
Analise o desenho abaixo:

I. Tecnicamente, o neutro pode ser aterrado tanto na entrada quanto na saída do medidor;
II. Em caso de carga balanceada, a corrente que circula pelo neutro da instalação é igual a zero;
III. O tipo de leitura em questão é conhecido como medição indireta, já que é utilizado um medidor de energia elétrica para fazer a leitura do consumo
IV. A tensão medida entre as fases do disjuntor é conhecida como tensão de fase.
São verdadeiras as afirmações: