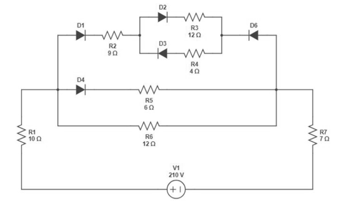
A compreensão da interação entre os diversos componentes de um circuito elétrico é essencial para os profissionais que atuam na área de eletricidade. Para o circuito da figura a seguir, considere que todos os diodos são ideais.

Com base na análise da figura, assinale a alternativa que apresenta a tensão no resistor R7 em volts.