- Medidas Elétricas
- Circuitos ElétricosCircuitos CC
- Sistemas Elétricos de PotênciaAnálise de SEPAnálise de Curto-circuitos

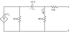
Assinale a opção correta a respeito do circuito acima.
Provas
Questão presente nas seguintes provas
Engenheiro Eletricista
50 Questões
Engenheiro Eletricista (Revezamento)
50 Questões