Magna Concursos
Questões
Planos
Entrar
Entrar
Criar Conta
Respondida
1125182
Ano:
2012
Disciplina:
Engenharia Eletrônica
Banca:
Legitimus
Orgão:
IFN-MG
Provas:
Técnico de Laboratório - Eletroeletrônica
Provas
×
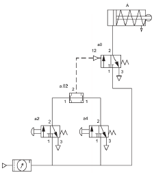
Acionamentos pneumáticos e hidráulicos
Assinale a alternativa
correta
para o circuito da figura a seguir.
A
É um comando manual de um cilindro simples acionado por botões e representa uma lógica E.
B
É um circuito manual de um cilindro simples acionado por botões e representa uma lógica OU.
C
É um comando manual de um cilindro simples acionado por botões e representa uma lógica xor.
D
É um comando manual de um cilindro simples acionado por botões e representa uma lógica nor.
Resolver
Comentários
0
×
Cadernos
×
Flashcards
×
Estatísticas
×
Reportar um erro
×
Provas
Questão presente nas seguintes provas
Técnico de Laboratório - Eletroeletrônica
40 Questões
Resolver Prova
Publicar
Responder
Qual o problema da questão?
Selecione uma opção
Questão Desatualizada
Questão Repetida
Gabarito Errado
Outros Motivos
Mensagem
Enviar
Acessar
Criar Conta
Acesse sua Conta
Google
Facebook
Esqueci minha senha
Acessar
Ainda não tem conta?
Crie uma
!
Crie uma Conta
Criar Conta
Olá, para continuar, precisamos criar uma conta!
É
rápido
e
grátis
.
Google
Facebook
Concordo com os
Termos de Uso
Criar
Já tem uma conta?
Acesse aqui