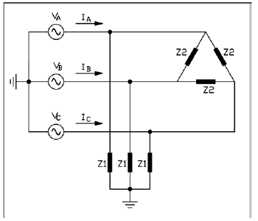
A solução de circuitos trifásicos equilibrados é facilitada adotando-se o equivalente de linha única do circuito. Entretanto, quando as impedâncias da carga são ligadas em !$ \Delta !$, faz-se necessário converter estas impedâncias para o seu equivalente em Y.
Dados: !$ V_A = 120 \angle 0ºV; V_B = 120 \angle -120ºV; V_C = 120 \angle 120ºV; Z_1 = 10 \angle 30º Ω !$ e !$ Z_2 = 15 \angle 30º Ω !$

Com base no exposto, o equivalente em Y da impedância da carga ligada em !$ \Delta !$ e o módulo da corrente de linha do circuito a seguir são, respectivamente: