2823660
Ano: 2022
Disciplina: Engenharia Elétrica
Banca: SELECON
Orgão: Pref. Lucas Rio Verde-MT
Disciplina: Engenharia Elétrica
Banca: SELECON
Orgão: Pref. Lucas Rio Verde-MT
Provas:
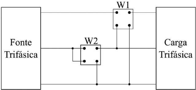
Considere-se a Figura 4 onde dois wattímetros, W1 e W2, ambos ideais, estão instalados em uma carga trifásica alimentada por uma fonte trifásica 380 V, 60 Hz, de sequência positiva. Admita-se que os terminais superiores dos Wattímetros são referentes à medição de corrente e os terminais inferiores são referentes à medição de tensão.
Figura 4

Com base no método dos dois Wattímetros, a soma das medidas de W1 e W2 não será a potência trifásica fornecida pela fonte à carga pois ambos medem, em relação à fonte, a mesma: