
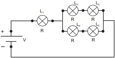
O Circuito da figura acima representa um esquema de ligação de cinco lâmpadas de mesma Resistência, cujo valor é dado por R. Admita que a tensão da fonte e as resistências no circuito se mantêm constantes. Após um intervalo de tempo longo, a lâmpada L3 queimou, ou seja, rompeu o seu filamento e permaneceu apagada. Assim, com a queima da lâmpada L3, a(s) potência(s) dissipada(s) pela(s) lâmpada(s)