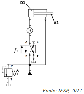
Em um laboratório de mecânica, foi feito um dispositivo hidráulico para controlar a abertura e o fechamento da porta de um forno. Com base no circuito hidráulico do dispositivo, foi pedido para o técnico calcular a velocidade de avanço do pistão (fechamento da porta) e checar a vazão indicada no medidor.

Sabendo-se que D1 = 8 cm, d2 = 5,6 cm, pressão da bomba = 90 bar e vazão da bomba = 40 L/min.
Qual deve ser o valor aproximado indicado no medidor de vazão e a velocidade de avanço do atuador?