Magna Concursos
1361347 Ano: 2018
Disciplina: Engenharia Elétrica
Banca: UFRN
Orgão: UFRN
Provas:

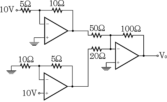
A figura abaixo mostra um circuito com amplificadores operacionais.

enunciado 1361347-1

O valor de V0 nesse circuito é de

 

Provas

Questão presente nas seguintes provas

Engenheiro da Computação

50 Questões