Considere o desenho abaixo, em escala 1:1 e unidade em mm:

Assinale a alternativa que traz uma informação INCORRETA acerca da interpretação do desenho.
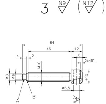
Considere o desenho abaixo, em escala 1:1 e unidade em mm:

Assinale a alternativa que traz uma informação INCORRETA acerca da interpretação do desenho.