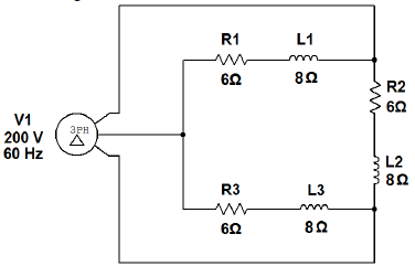
Analise o circuito trifásico a seguir.

|
cos(31º) = 0,857 |
sen(31º) = 0,515 |
tg(31º) = 0,600 |
|
cos(37º) = 0,798 |
sen(37º) = 0,602 |
tg(37º) = 0,754 |
|
cos(51º) = 0,629 |
sen(51º) = 0,777 |
tg(51º) = 1,235 |
|
cos(53º) = 0,602 |
sen(53º) = 0,799 |
tg(53º) = 1,327 |
|
cos(59º) = 0,515 |
sen(59º) = 0,857 |
tg(59º) = 1,664 |
| \( \sqrt{2} = 1,41 \) | \( \sqrt{3} =1,73 \) |
Para esse circuito, a potências ativa e a potência reativa são, aproximadamente, iguais a