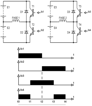
Um motor de passo é acionado por dois inversores monofásicos em ponto médio, comandados pelas respectivas correntes de base nos transistores. Considerando o funcionamento em regime permanente do motor de passo, escolha a alternativa que representa a sequência correta de condução dos interruptores dos inversores.
