Magna Concursos
1090943 Ano: 2021
Disciplina: Engenharia Elétrica
Banca: AOCP
Orgão: SANESUL

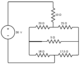
Considerando o circuito da figura a seguir, assinale a alternativa com o valor da potência fornecida pela fonte de tensão.

Enunciado 3373123-1

 

Provas

Questão presente nas seguintes provas

Técnico de Manutenção - Eletromecânica

70 Questões