
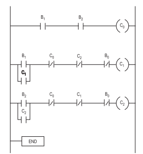
Considere o esquema LADDER de controle de um processo industrial apresentado na figura acima. O usuário tem acesso ao sistema de controle através das botoeiras denominadas B1'B2B0. Com base nessas informações e no diagrama apresentado, tem-se que a(s)