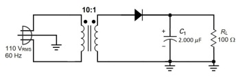
O circuito analógico a seguir representa o diagrama
esquemático simplificado de uma fonte de tensão contínua não
regulada. O transformador possui uma razão de espiras primário-secundário de 10:1, sendo alimentado por uma tensão de
110 VRMS no primário.

Com base nessas informações, julgue o item a seguir.
A tensão média sobre o resistor de carga RL é inferior a 16 V.