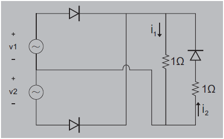
A análise do circuito representado na figura, constituído por componentes ideais, permite afirmar que os valores eficazes das correntes elétricas i1 e i2 são, respectivamente,
v1 = v2 = 10 sen (120 !$ \pi !$ t) V

A análise do circuito representado na figura, constituído por componentes ideais, permite afirmar que os valores eficazes das correntes elétricas i1 e i2 são, respectivamente,
v1 = v2 = 10 sen (120 !$ \pi !$ t) V
