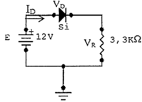
Analise o circuito abaixo.

Os valores de ID , VR e V0 são, respectivamente:
Provas
Questão presente nas seguintes provas
Corpo Auxiliar de Praças - Telecomunicações
50 Questões
Analise o circuito abaixo.

Os valores de ID , VR e V0 são, respectivamente: