Magna Concursos
348061 Ano: 2019
Disciplina: Engenharia Eletrônica
Banca: FUNDEP
Orgão: SAAE Itabira
Provas:

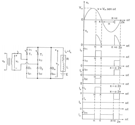
Analise o circuito a seguir e suas respectivas formas de onda.

enunciado 348061-1

Após análise, é correto afirmar:

 

Provas

Questão presente nas seguintes provas

Técnico em Eletrônica

30 Questões