Considere o circuito elétrico abaixo.
Assumindo que o AMPOP seja ideal, assinale a alternativa que indica a frequência de corte do circuito apresentado:

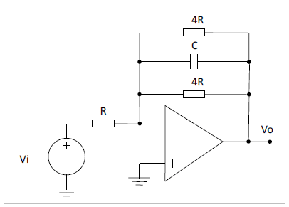
Considere o circuito elétrico abaixo.
Assumindo que o AMPOP seja ideal, assinale a alternativa que indica a frequência de corte do circuito apresentado:
