Magna Concursos
3159085 Ano: 2023
Disciplina: Engenharia Elétrica
Banca: FUNDATEC
Orgão: Pref. Campo Bom-RS
Provas:

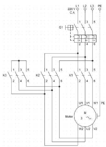
De acordo com o diagrama de ligação a seguir, podemos afirmar que este motor de indução utiliza o seguinte tipo de partida:

Enunciado 3252584-1

 

Provas

Questão presente nas seguintes provas

Técnico Eletricista

40 Questões