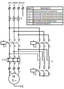
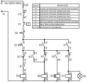
A figura abaixo mostra o diagrama de força de uma chave de partida compensadora acionando um motor de indução trifásico.

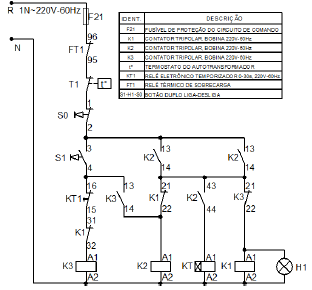
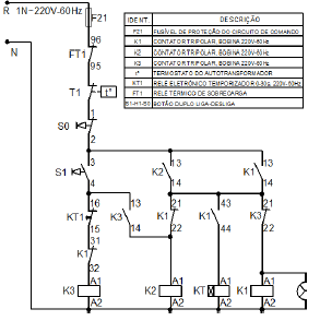
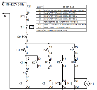
O diagrama de comando adequado para perfeito funcionamento do diagrama de força mostrado na figura acima está mostrado na opção