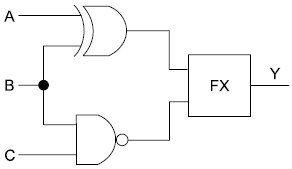
Considere o circuito lógico combinacional e sua respectiva Tabela-Verdade, mostrado na figura a seguir.

| A | B | C | Y |
| 0 | 0 | 0 | 0 |
| 0 | 0 | 1 | 0 |
| 0 | 1 | 0 | 1 |
| 0 | 1 | 1 | 0 |
| 1 | 0 | 0 | 1 |
| 1 | 0 | 1 | 1 |
| 1 | 1 | 0 | 0 |
| 1 | 1 | 1 | 0 |
A função FX corresponde a uma porta lógica do tipo:
Considere o circuito lógico combinacional e sua respectiva Tabela-Verdade, mostrado na figura a seguir.

| A | B | C | Y |
| 0 | 0 | 0 | 0 |
| 0 | 0 | 1 | 0 |
| 0 | 1 | 0 | 1 |
| 0 | 1 | 1 | 0 |
| 1 | 0 | 0 | 1 |
| 1 | 0 | 1 | 1 |
| 1 | 1 | 0 | 0 |
| 1 | 1 | 1 | 0 |
A função FX corresponde a uma porta lógica do tipo: