Observe a figura a seguir.

O circuito ilustrado corresponde a um conversor / regulador de tensão. Considerando que o amplificador operacional seja ideal e que o diodo Zener seja de 4 V, a tensão de saída VS, em volts, do regulador será:
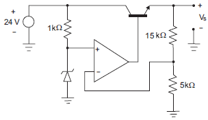
Observe a figura a seguir.

O circuito ilustrado corresponde a um conversor / regulador de tensão. Considerando que o amplificador operacional seja ideal e que o diodo Zener seja de 4 V, a tensão de saída VS, em volts, do regulador será: