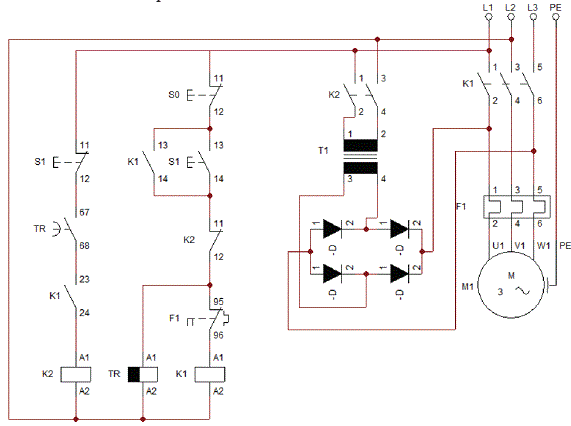
Que tipo de circuito temos representado abaixo?
Circuito de controle de motor trifásico CA com frenagem por injeção CC.
Circuito de controle de motor trifásico CA com excitador CC.
Circuito de controle de motor trifásico CA com partida suave.
Circuito de controle de motor CC com retificador para sistemas trifásicos.
Olá, para continuar, precisamos criar uma conta! É rápido e grátis.