Magna Concursos
Questões
Planos
Entrar
Entrar
Criar Conta
Respondida
2266551
Ano:
2010
Disciplina:
Física
Banca:
DIRENS Aeronáutica
Orgão:
EEAr
Provas:
CFS - Controle de Tráfego Aéreo
Provas
×
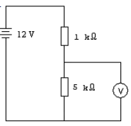
Considere o circuito abaixo.
Assinale a alternativa que apresenta o valor da diferença de potencial indicada pelo voltímetro ideal.
A
1,2 V
B
10,0 V
C
100 mV
D
120 mV
Resolver
Comentários
0
×
Cadernos
×
Flashcards
×
Estatísticas
×
Reportar um erro
×
Provas
Questão presente nas seguintes provas
CFS - Controle de Tráfego Aéreo
100 Questões
Resolver Prova
Publicar
Responder
Qual o problema da questão?
Selecione uma opção
Questão Desatualizada
Questão Repetida
Gabarito Errado
Outros Motivos
Mensagem
Enviar
Acessar
Criar Conta
Acesse sua Conta
Google
Facebook
Esqueci minha senha
Acessar
Ainda não tem conta?
Crie uma
!
Crie uma Conta
Criar Conta
Olá, para continuar, precisamos criar uma conta!
É
rápido
e
grátis
.
Google
Facebook
Concordo com os
Termos de Uso
Criar
Já tem uma conta?
Acesse aqui