
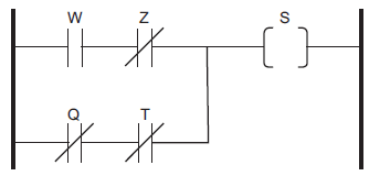
Na figura acima, é mostrada uma parte de um programa de um controlador lógico programável (CLP), em linguagem LADDER.
A expressão booleana correspondente à saída S é

Na figura acima, é mostrada uma parte de um programa de um controlador lógico programável (CLP), em linguagem LADDER.
A expressão booleana correspondente à saída S é