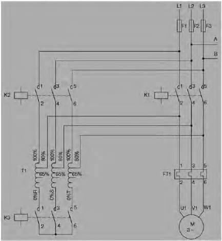
A figura abaixo, são os diagramas de Força e Comando de uma chave de partida de um Motor Trifásico.


Fonte: WEG. Guia de seleção de partidas. 2013.
Selecione a alternativa CORRETA correspondente à representação dada pela figura.
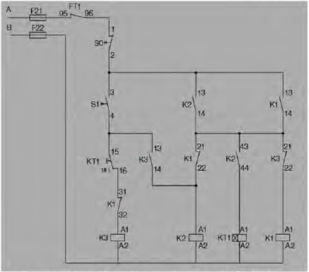
A figura abaixo, são os diagramas de Força e Comando de uma chave de partida de um Motor Trifásico.


Fonte: WEG. Guia de seleção de partidas. 2013.
Selecione a alternativa CORRETA correspondente à representação dada pela figura.